当前位置: 首页 > 政务公开 > 法定主动公开内容 > 通知公告
 
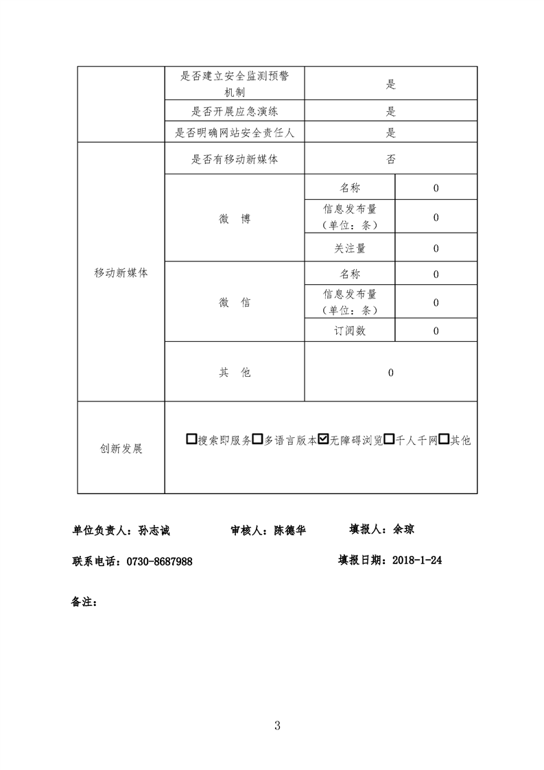
岳阳市农业委员会网站工作2017年度报表
编稿时间:2018-01-30 10:26    来源: 岳阳市农业委员会    字体:
 

 
 
打印本页
关闭窗口